
【產品用途】
煤氣專用蝶閥是一種常用于冶金、化工等領域中通風管路中,主要負責含有含塵的冷、熱風流、流通的流量調節和切斷,這樣看起來煤氣蝶閥似乎沒有什么過人之處,但是與普通的閥門相比,蝶閥的結構更適合這種工作環境。
煤氣專用蝶閥使用中線式碟板和鋼板焊接制成,結構緊密,重量輕。區別于普通類閥門,特點在于它的內部沒有連接桿、螺栓等結構,所以對通道輸送氣體所帶來的腐蝕和破壞具有更強的抵抗作用。
通常煤氣蝶閥都會采用氣動控制或者電動控制,引起力矩小、操作簡便、可靠性高。所以在冶金、環保等領域廣泛使用。另外,這種閥門還可以手動控制和自動控制之間自如切換,能夠實現更靈活的使用。
這種蝶閥的使用,在一定程度上可以取代球閥和閘閥,因為不需要安裝多層密封圈,而是直接安裝在閥體上,在閥座和壓板中間部分設計調節環,所以能夠實現更理想的雙向硬質密封。
【煤氣專用蝶閥的選擇原則】
1、在系統中起連通和切斷作用,并允許切斷時介質有少量泄露(一般不大于5%)的風門可選用關閉擋板風門、74DD圓風門、方風門、鋼制關斷風門等。
2、在系統中起調節介質流量作用,且一般不起隔斷作用的風門,宜選用調節擋板風門、鋼制調節圓風門。對于要求既有調節性能又需切斷介質流動功能的風門,宜選用無泄漏調節擋板風門,74DD圓風門、方風門。用于離心式風機入口的風門,只宜選用平行開關式的調節擋板風門、方風門。用于即起調節作用又需自動關斷逆向氣流場合的風門,宜選用逆止式調節風門。
3、在系統中作切斷用,且不允許介質泄露(理論上泄漏量為零),宜選用隔絕類風門,其種類有標準插板式隔絕門、大型閘板門、翻板門、雙峰百葉窗式風門。
4、用于煤粉制備系統中起隔絕作用風門,可選用煤粉閘門裝置。
5、用于灰煤粉等粒狀物料的隔絕門,可選用隔絕閘門裝置。
6、用于粉塵管路易受磨損、沖刷的葉片式風門,表面要耐磨、耐蝕,可選用耐磨陶瓷風門或表面噴涂高溫防腐耐磨合金圖層的風門(風門的使用壽命較16Mn鋼材延長使用壽命4~5倍)。
【標準規范】
設計制造標準:GB/T 12238-2008
結構長度標準:GB/T 12221-2005
連接法蘭標準:GB/T 9113
壓力溫度等級:GB/T 12224-2005
試驗檢驗標準:GB/T 13927-2008
【結構特點】
1、啟閉方便迅速、省力、流體阻力小,可以經常操作。
2、結構簡單,體積小,重量輕。
3、低壓下實現良好的密封。
4、調節性能好。
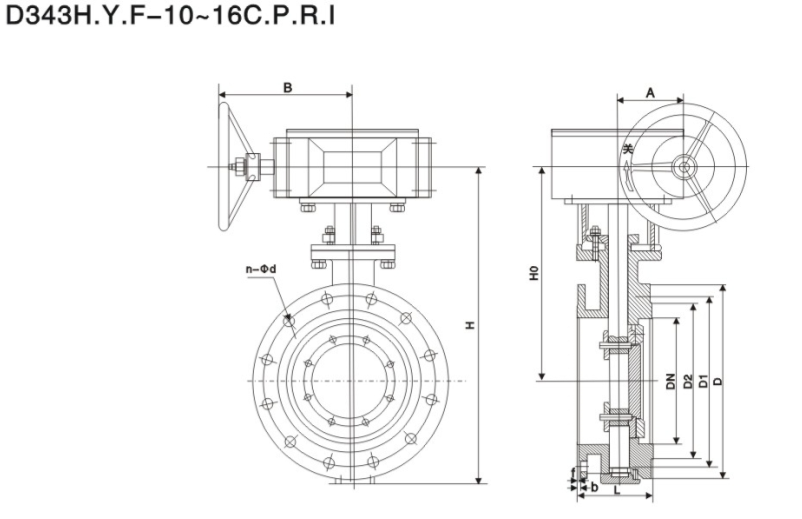
【主要外形和連接尺寸】
|
PN |
DN |
L |
D |
D1 |
D2 |
Z-d |
b |
f |
H |
H0 |
|
1.0 |
50 |
108 |
165 |
125 |
99 |
4-18 |
20 |
2 |
170 |
130 |
|
1.0 |
65 |
112 |
185 |
145 |
118 |
4-18 |
20 |
2 |
170 |
145 |
|
1.0 |
80 |
114 |
200 |
160 |
132 |
8-18 |
20 |
2 |
230 |
152 |
|
1.0 |
100 |
127 |
220 |
180 |
156 |
8-18 |
22 |
2 |
320 |
192 |
|
1.0 |
125 |
140 |
250 |
210 |
184 |
8-18 |
22 |
2 |
345 |
200 |
|
1.0 |
150 |
140 |
285 |
240 |
211 |
8-22 |
24 |
2 |
385 |
230 |
|
1.0 |
200 |
152 |
340 |
295 |
266 |
8-22 |
24 |
2 |
471 |
297 |
|
1.0 |
250 |
165 |
405 |
355 |
319 |
12-22 |
26 |
2 |
533 |
327 |
|
1.0 |
300 |
178 |
445 |
400 |
370 |
12-22 |
26 |
2 |
606 |
364 |
|
1.0 |
350 |
190 |
505 |
460 |
429 |
16-22 |
26 |
2 |
694 |
404 |
|
1.0 |
400 |
216 |
565 |
515 |
480 |
16-26 |
26 |
2 |
757 |
444 |
|
1.0 |
450 |
222 |
615 |
565 |
530 |
20-26 |
28 |
2 |
814 |
472 |
|
1.0 |
500 |
229 |
670 |
620 |
582 |
20-26 |
28 |
2 |
902 |
522 |
|
1.0 |
600 |
267 |
780 |
725 |
682 |
20-30 |
34 |
2 |
1048 |
590 |
|
1.0 |
700 |
292 |
895 |
840 |
794 |
24-30 |
34 |
5 |
1277 |
810 |
|
1.0 |
800 |
318 |
1015 |
950 |
901 |
24-33 |
36 |
5 |
1385 |
844 |
|
1.0 |
900 |
330 |
1115 |
1050 |
1001 |
28-33 |
38 |
5 |
1490 |
890 |
|
1.0 |
1000 |
410 |
1230 |
1160 |
1112 |
28-36 |
38 |
5 |
1620 |
950 |
|
1.6 |
50 |
108 |
165 |
125 |
99 |
4-18 |
20 |
2 |
170 |
130 |
|
1.6 |
65 |
112 |
185 |
145 |
118 |
4-18 |
20 |
2 |
170 |
145 |
|
1.6 |
80 |
114 |
200 |
160 |
132 |
8-18 |
20 |
2 |
230 |
152 |
|
1.6 |
100 |
127 |
220 |
180 |
156 |
8-18 |
22 |
2 |
320 |
192 |
|
1.6 |
125 |
140 |
250 |
210 |
184 |
8-18 |
22 |
2 |
345 |
200 |
|
1.6 |
150 |
140 |
285 |
240 |
211 |
8-22 |
24 |
2 |
385 |
230 |
|
1.6 |
200 |
152 |
340 |
295 |
266 |
12-22 |
24 |
2 |
471 |
297 |
|
1.6 |
250 |
165 |
405 |
355 |
319 |
12-26 |
26 |
2 |
533 |
327 |
|
1.6 |
300 |
178 |
460 |
410 |
370 |
12-26 |
28 |
2 |
606 |
364 |
|
1.6 |
350 |
190 |
520 |
470 |
429 |
16-26 |
30 |
2 |
694 |
404 |
|
1.6 |
400 |
216 |
580 |
525 |
480 |
16-30 |
32 |
2 |
757 |
444 |
|
1.6 |
450 |
222 |
640 |
585 |
548 |
20-30 |
40 |
2 |
814 |
472 |
|
1.6 |
500 |
229 |
715 |
650 |
609 |
20-33 |
44 |
2 |
902 |
522 |
|
1.6 |
600 |
267 |
840 |
770 |
720 |
20-36 |
54 |
2 |
1048 |
590 |
|
1.6 |
700 |
292 |
910 |
840 |
794 |
24-36 |
40 |
5 |
1277 |
810 |
|
1.6 |
800 |
318 |
1025 |
950 |
901 |
24-39 |
42 |
5 |
1385 |
844 |
|
1.6 |
900 |
330 |
1125 |
1050 |
1001 |
28-39 |
44 |
5 |
1490 |
890 |
|
1.6 |
1000 |
410 |
1225 |
1170 |
1112 |
28-42 |
46 |
5 |
1620 |
950 |
|
2.5 |
50 |
108 |
165 |
125 |
99 |
4-18 |
20 |
2 |
170 |
130 |
|
2.5 |
65 |
112 |
185 |
145 |
118 |
8-18 |
22 |
2 |
265 |
210 |
|
2.5 |
80 |
114 |
200 |
160 |
132 |
8-18 |
24 |
2 |
310 |
233 |
|
2.5 |
100 |
127 |
235 |
190 |
156 |
8-22 |
24 |
2 |
343 |
242 |
|
2.5 |
125 |
140 |
270 |
220 |
184 |
8-26 |
26 |
2 |
385 |
254 |
|
2.5 |
150 |
140 |
300 |
250 |
211 |
8-26 |
28 |
2 |
445 |
580 |
|
2.5 |
200 |
152 |
360 |
310 |
274 |
12-26 |
30 |
2 |
510 |
297 |
|
2.5 |
250 |
165 |
425 |
370 |
330 |
12-30 |
32 |
2 |
569 |
339 |
|
2.5 |
300 |
178 |
485 |
430 |
389 |
16-30 |
34 |
2 |
653 |
375 |
|
2.5 |
350 |
190 |
555 |
490 |
448 |
16-33 |
38 |
2 |
730 |
420 |
|
2.5 |
400 |
216 |
620 |
550 |
503 |
16-36 |
40 |
2 |
810 |
463 |
|
2.5 |
450 |
222 |
670 |
600 |
548 |
20-36 |
46 |
2 |
850 |
495 |
|
2.5 |
500 |
229 |
730 |
660 |
609 |
20-36 |
48 |
2 |
940 |
566 |
|
2.5 |
600 |
267 |
845 |
770 |
720 |
20-39 |
58 |
2 |
1150 |
630 |
|
2.5 |
700 |
292 |
960 |
875 |
820 |
24-42 |
58 |
5 |
1195 |
727 |
|
2.5 |
800 |
318 |
1085 |
990 |
609 |
24-36 |
58 |
5 |
1268 |
810 |
【結構圖片】
